Catalog

FC seriyasidagi plenkali lenta eshiklari

Omborxonalar, ishlab chiqarish sexlari, sovitish kameralari va do'konlarning o'tish joylarida samarali va tejamkor to'siq yaratish kerak bo'lganda, eng oddiy va ishonchli yechim DoorHan konsernining FC seriyali plyonkali tasma pardalari hisoblanadi. Bu vertikal PVX-lentalardan iborat statik konstruksiya bo'lib, xodimlar ва texnikaning erkin o'tishiga imkon beradi va ularning orqasidan darhol yopiladi. Pardalar yuqori trafikli xonalarda energiya tejash va mikroiqlimni saqlash uchun ajralmas vositadir.

Minimal xarajatlar bilan maksimal samaradorlik. Pardaning ishlash tamoyili o'zining soddaligi bilan daholikdir va aynan shu asosiy afzalliklarni beradi:

  • Keskin energiya tejash: Ustma-ust osilgan zich PVX-lentlar havo oqimlari uchun samarali to'siq yaratadi. Bu isitiladigan xonada issiqlikni yoki muzlatish kamerasida sovuqni saqlashga imkon beradi va isitish hamda sovutish xarajatlarini 50% gacha kamaytiradi.
  • Ishonchli himoya: Parda yelvizaklardan, changdan, shovqindan, hasharotlardan va namlikdan to'siq bo'lib xizmat qiladi, bu ish joyida tozalikni va qulay mehnat sharoitlarini saqlashga yordam beradi.
  • Erkin trafik: Darvozalardan farqli o'laroq, parda ochilishini kutishni talab qilmaydi. Yuk ortgichlar, aravachalar va xodimlar kechikishlarsiz uning orasidan o'tadi, bu logistika jarayonlarini optimallashtiradi.

Chidamlilik va misli ko'rilmagan ta'mirga yaroqlilik. FC pardalari qattiq sanoat sharoitlari uchun yaratilgan.

  • Mustahkam va elastik PVX: Biz ishqalanishga, yirtilishga va harorat o'zgarishlariga chidamli yuqori sifatli polivinilxloriddan foydalanamiz. Ham standart lentalar, ham sovitish va muzlatish kameralarida foydalanish uchun maxsus sovuqqa chidamli lentalar mavjud.
  • Oson almashtirish: Bu asosiy ekspluatatsion afzallikdir. Agar yuk ortgich tasodifan bir yoki ikkita lentani shikastlasa, siz butun konstruksiyani almashtirishingiz shart emas. Faqat shikastlangan tasmalarni buyurtma qilish va almashtirish kifoya, bu bir necha daqiqada amalga oshiriladi va minimal mablag' talab etadi.

Xavfsizlik va o'rnatish osonligi. PVX-lentalarning shaffofligi a'lo darajada ko'rinishni ta'minlab, to'qnashuvlarning oldini oladi. Pardani montaj qilish murakkab ko'nikmalarni talab qilmaydi: maxsus yuk ko'taruvchi profil ("taroqcha") o'tish joyi ustiga osongina mahkamlanadi va lentalar shunchaki unga osiladi. DoorHan tasma pardalarini tanlab, siz xonangizning energiya samaradorligini oshirish va himoya qilish uchun eng tez, tejamkor va amaliy yechimga ega bo'lasiz.

Qo'llanilish sohasi:
Ombor majmualari
Afzalliklar
Xizmat ko'rsatishning osonligi
Texnik xizmat ko'rsatishni talab qilmaydi.
O'rnatishning osonligi
Lenta eshiklarining montajini ta'minlaydigan mustahkamlash konstruktsiyasi maksimal darajada oson o'rnatishni ta'minlaydi.
Xavfsizlik
Qattiq va chiqqan elementlarning yo'qligi sababli xavfsizdir.
Jozibali narx
Sanoat, ombor, savdo va boshqa maqsadlar uchun inshootlarning mikroiqlimini izolyatsiya qilish va saqlash uchun byudjet variantidir.
Xizmat ko'rsatishning osonligi
Texnik xizmat ko'rsatishni talab qilmaydi.
O'rnatishning osonligi
Lenta eshiklarining montajini ta'minlaydigan mustahkamlash konstruktsiyasi maksimal darajada oson o'rnatishni ta'minlaydi.
Xavfsizlik
Qattiq va chiqqan elementlarning yo'qligi sababli xavfsizdir.
Jozibali narx
Sanoat, ombor, savdo va boshqa maqsadlar uchun inshootlarning mikroiqlimini izolyatsiya qilish va saqlash uchun byudjet variantidir.
Dizayn
Yuzaki turi
Silliq
Silliq
Komplektatsiya
Bazaviy to'plam
Qo'shimcha to'plam
Plyonka

Plyonka

Uskunalar galvanzatsiyalangan po‘latdan tayyorlangan

Uskunalar galvanzatsiyalangan po‘latdan tayyorlangan

Uskunalar zanglamas po‘latdan tayyorlangan

Uskunalar zanglamas po‘latdan tayyorlangan

Texnik tavsif
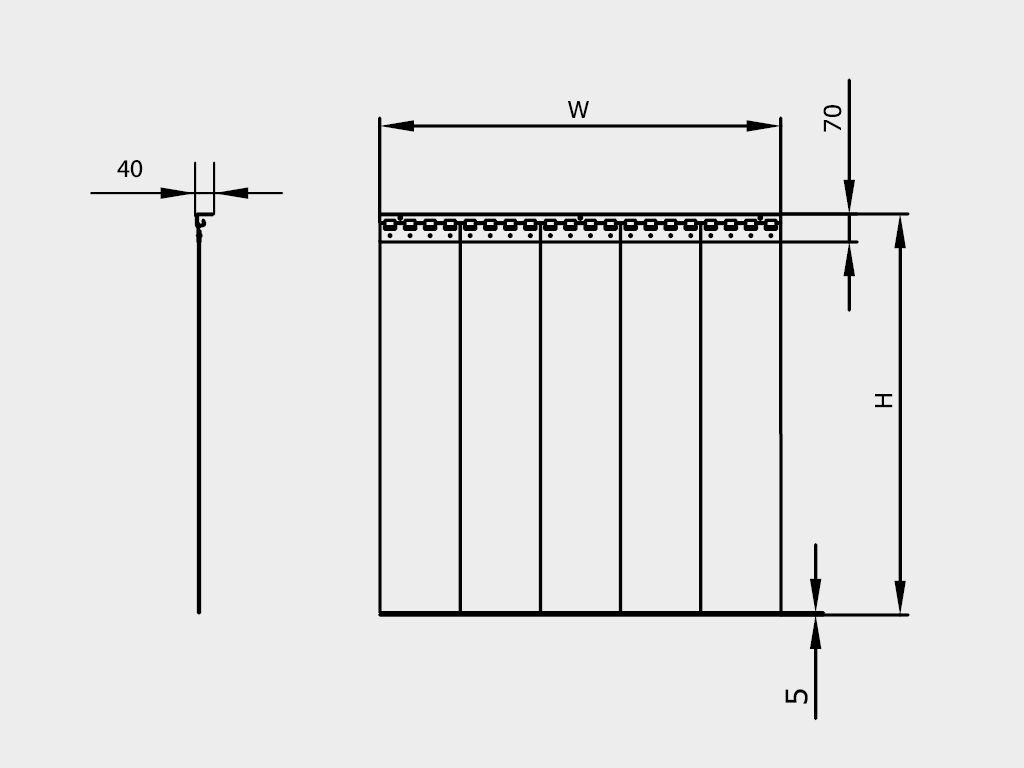
O'lchamlar jadvali
Konstruktsiya
Standart konstruktiv yechimlar
Texnik xususiyatlar
Mahsulotni ishlatish shartlari
Qadoqlash
Параметр
Показатель
Ширина проема, мм
Kenglik cheklovlari yo'q
Высота проема, мм
Tafsilotlarga qarab, lenta o‘lchamiga qarab 2 500 dan 4 500 gacha
Размеры пленки (Ширина х Толщина), мм
200 × 2/300 × 3/400 × 4
  1. «Grebanka» kranshtayni
  2. Montaj plastinkasi
  3. Lenta

PVC lenta yengli plyonkalı parda

PVC lenta yengli plyonkalı parda

Усл. обозначение, наименование параметра Расчетная формула
H1, мм Высота проема внутри 2 600/3 500/4 500
H2, мм Высота проема снаружи 2 600/3 500/4 500
B, мм Ширина проема har qanday
P%, Плотность перекрытия 50/100; 33/66/100; 50/75/100
Yopish koeffitsienti

Yopish koeffitsienti

Параметр Значение Примечание
Плотность, г/см³ 1,22/1,18 Standart plyonka/qorayishga chidamli plyonka
Светопрозрачность, % 80
Относительное удлинение, % 340/390 Standart plyonka/qorayishga chidamli plyonka
Теплопроводность, Вт/м*°С 0,14
Звукоизоляция, дБ, класс (ГОСТ 31174) 35
Диапазон рабочих температур, °С -15 dan +30 gacha/-25 dan +30 gacha Standart plyonka/qorayishga chidamli plyonka
Предел прочности на растяжение, Н/мм² 16/11,5 Standart plyonka/qorayishga chidamli plyonka

1. Pardalarning ishonchli va uzluksiz ishlashini ta'minlash uchun ularni muntazam ravishda texnik tekshiruvdan o‘tkazish tavsiya etiladi.

2. Pardalar yuzasini zarbalarga duchor etmang va ularning erkin ochilishi va yopilishiga to‘sqinlik qilmang.

3. Plyonkalı pardalar yopilayotganda, teshikda tashqi ob'ektlar bo‘lmasligiga e'tibor bering.

Упаковка в стретч - пленку Характеристики упаковки
Высота, мм Pardalar soniga bog‘liq
Длина, мм Pardalar uzunligiga bog‘liq
Ширина, мм Pardalar kengligiga bog‘liq
Qo‘shimcha tavsif chop etish

DoorHan konserni mahsulotlarni yuk tashish transportiga gidravlik ko‘tarish krani yoki kamida 2 m bo‘lgan vilkali yuk ko‘taruvchi avtomobil yordamida yuklaydi. Xaridor yoki o‘rnatuvchi mahsulotlarni ko‘chirish uchun shunga o‘xshash uskuna taqdim etishi kerak. Kranning yoki boshqa ko‘tarish vositasining ishlatilishi paytida mos keladigan yuk ko‘tarish qobiliyatiga ega tortish belgilaridan foydalanish tavsiya etiladi.

Agar yopish koeffitsienti 0% tanlansa, lenta pardalar orasida bo‘shliqlar paydo bo‘lishi mumkin.

O'rnatish
Montaj usullari
Bino qurilishi uchun tayyorgarlik
Lenta yengli plyonkalı parda o‘rnatish, teshikka yopish tarzida amalga oshiriladi
Lenta yengli plyonkalı parda o‘rnatish, teshikka yopish tarzida amalga oshiriladi
Lenta yengli plyonkalı parda o‘rnatish, teshik ichida amalga oshiriladi
Lenta yengli plyonkalı parda o‘rnatish, teshik ichida amalga oshiriladi
  1. H - ochilish balandligi.
  2. B - ochilishning kengligi.
  3. h - lintel (teshikning yuqori qismidan shiftgacha bo'lgan masofa).
  4. b1/b2 - chap/o'ng tomon masofasi (teshikning mos keladigan chetidan to'siqqa qadar bo'lgan masofa).
  5. H va B ni o'lchashda oxirgi o'lcham sifatida eng katta qiymat olinadi; h, b1 va b2 ni o'lchashda eng kichik qiymat olinadi.
Hujjatlar
Ko'rsatmalar
Pasportlar va sertifikatlar
Chizmalar

Plyonkalı lenta pardasi

Muvofiqlik sertifikati

Chiziqli plyonkali pardalar uchun pasport

FC-100 seriyali PVX chiziqli plyonkali parda

FC-100 seriyali PVX chiziqli plyonkali pardalar uchun o'rnatish sxemasi

Kafolat majburiyatlari chop etish

Xaridorga DoorHan konserni tomonidan ishlab chiqarilgan plyonkalı pardalarning ishlashga kafolatini taqdim etiladi: chakana savdolar uchun 1 yil, dilerlik buyurtmalar uchun esa 2 yil, pardalarni sotib olgan kundan boshlab.

Dizayn
Yuzaki turi
Silliq
Silliq
Komplektatsiya
Bazaviy to'plam
Plyonka

Plyonka

Uskunalar galvanzatsiyalangan po‘latdan tayyorlangan

Uskunalar galvanzatsiyalangan po‘latdan tayyorlangan

Qo'shimcha to'plam
Uskunalar zanglamas po‘latdan tayyorlangan

Uskunalar zanglamas po‘latdan tayyorlangan

Texnik tavsif
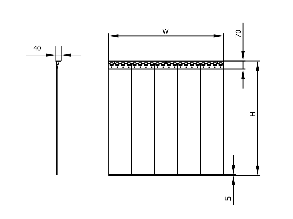
O'lchamlar jadvali
Параметр
Показатель
Ширина проема, мм
Kenglik cheklovlari yo'q
Высота проема, мм
Tafsilotlarga qarab, lenta o‘lchamiga qarab 2 500 dan 4 500 gacha
Размеры пленки (Ширина х Толщина), мм
200 × 2/300 × 3/400 × 4
Konstruktsiya
  1. «Grebanka» kranshtayni
  2. Montaj plastinkasi
  3. Lenta
Standart konstruktiv yechimlar

PVC lenta yengli plyonkalı parda

PVC lenta yengli plyonkalı parda

Усл. обозначение, наименование параметра Расчетная формула
H1, мм Высота проема внутри 2 600/3 500/4 500
H2, мм Высота проема снаружи 2 600/3 500/4 500
B, мм Ширина проема har qanday
P%, Плотность перекрытия 50/100; 33/66/100; 50/75/100
Yopish koeffitsienti

Yopish koeffitsienti

Texnik xususiyatlar
Параметр Значение Примечание
Плотность, г/см³ 1,22/1,18 Standart plyonka/qorayishga chidamli plyonka
Светопрозрачность, % 80
Относительное удлинение, % 340/390 Standart plyonka/qorayishga chidamli plyonka
Теплопроводность, Вт/м*°С 0,14
Звукоизоляция, дБ, класс (ГОСТ 31174) 35
Диапазон рабочих температур, °С -15 dan +30 gacha/-25 dan +30 gacha Standart plyonka/qorayishga chidamli plyonka
Предел прочности на растяжение, Н/мм² 16/11,5 Standart plyonka/qorayishga chidamli plyonka
Mahsulotni ishlatish shartlari

1. Pardalarning ishonchli va uzluksiz ishlashini ta'minlash uchun ularni muntazam ravishda texnik tekshiruvdan o‘tkazish tavsiya etiladi.

2. Pardalar yuzasini zarbalarga duchor etmang va ularning erkin ochilishi va yopilishiga to‘sqinlik qilmang.

3. Plyonkalı pardalar yopilayotganda, teshikda tashqi ob'ektlar bo‘lmasligiga e'tibor bering.

Qadoqlash
Упаковка в стретч - пленку Характеристики упаковки
Высота, мм Pardalar soniga bog‘liq
Длина, мм Pardalar uzunligiga bog‘liq
Ширина, мм Pardalar kengligiga bog‘liq
Qo‘shimcha tavsif

DoorHan konserni mahsulotlarni yuk tashish transportiga gidravlik ko‘tarish krani yoki kamida 2 m bo‘lgan vilkali yuk ko‘taruvchi avtomobil yordamida yuklaydi. Xaridor yoki o‘rnatuvchi mahsulotlarni ko‘chirish uchun shunga o‘xshash uskuna taqdim etishi kerak. Kranning yoki boshqa ko‘tarish vositasining ishlatilishi paytida mos keladigan yuk ko‘tarish qobiliyatiga ega tortish belgilaridan foydalanish tavsiya etiladi.

Agar yopish koeffitsienti 0% tanlansa, lenta pardalar orasida bo‘shliqlar paydo bo‘lishi mumkin.

O'rnatish
Montaj usullari
Lenta yengli plyonkalı parda o‘rnatish, teshikka yopish tarzida amalga oshiriladi
Lenta yengli plyonkalı parda o‘rnatish, teshikka yopish tarzida amalga oshiriladi
Lenta yengli plyonkalı parda o‘rnatish, teshik ichida amalga oshiriladi
Lenta yengli plyonkalı parda o‘rnatish, teshik ichida amalga oshiriladi
Bino qurilishi uchun tayyorgarlik
  1. H - ochilish balandligi.
  2. B - ochilishning kengligi.
  3. h - lintel (teshikning yuqori qismidan shiftgacha bo'lgan masofa).
  4. b1/b2 - chap/o'ng tomon masofasi (teshikning mos keladigan chetidan to'siqqa qadar bo'lgan masofa).
  5. H va B ni o'lchashda oxirgi o'lcham sifatida eng katta qiymat olinadi; h, b1 va b2 ni o'lchashda eng kichik qiymat olinadi.
Kafolat majburiyatlari

Xaridorga DoorHan konserni tomonidan ishlab chiqarilgan plyonkalı pardalarning ishlashga kafolatini taqdim etiladi: chakana savdolar uchun 1 yil, dilerlik buyurtmalar uchun esa 2 yil, pardalarni sotib olgan kundan boshlab.

Hujjatlar
Ko'rsatmalar

Plyonkalı lenta pardasi

Pasportlar va sertifikatlar

Muvofiqlik sertifikati

Chiziqli plyonkali pardalar uchun pasport

Chizmalar

FC-100 seriyali PVX chiziqli plyonkali parda

FC-100 seriyali PVX chiziqli plyonkali pardalar uchun o'rnatish sxemasi

Buyurtma berish
Kompaniya menejerlari barcha savollaringizga telefon orqali javob berishadi::