Перегрузочное оборудование
Двустворчатые раздвижные двери
Каталог

Пленочные полосовые завесы серии fc

Когда необходимо создать эффективный и экономичный барьер в проемах складов, производственных цехов, холодильных камер и магазинов, самым простым и надежным решением являются пленочные полосовые завесы серии FC от концерна DoorHan. Это статичная конструкция из вертикальных ПВХ-лент, которая позволяет персоналу и технике свободно проходить, при этом мгновенно смыкаясь за ними. Завесы являются незаменимым инструментом для энергосбережения и поддержания микроклимата в помещениях с высоким трафиком.

Максимальная эффективность при минимальных затратах. Принцип работы завесы гениален в своей простоте, и именно это дает ключевые преимущества:

  • Радикальное энергосбережение: Плотные ПВХ-ленты, висящие внахлест, создают эффективную преграду для воздушных потоков. Это позволяет сохранить тепло в отапливаемом помещении или холод в морозильной камере, сокращая расходы на отопление и охлаждение до 50%.
  • Надежная защита: Завеса служит барьером от сквозняков, пыли, шума, насекомых и влаги, помогая поддерживать чистоту и комфортные условия труда в рабочей зоне.
  • Свободный трафик: В отличие от ворот, завеса не требует ожидания для открытия. Погрузчики, тележки и персонал проходят сквозь нее без задержек, что оптимизирует логистические процессы.

Долговечность и непревзойденная ремонтопригодность. Завесы FC созданы для жестких промышленных условий.

  • Прочный и эластичный ПВХ: Мы используем высококачественный поливинилхлорид, устойчивый к истиранию, разрывам и перепадам температур. Доступны как стандартные ленты, так и специальные морозостойкие для использования в холодильных и морозильных камерах.
  • Простота замены: Это главное эксплуатационное преимущество. Если погрузчик случайно повредит одну или две ленты, вам не нужно менять всю конструкцию. Достаточно заказать и заменить только поврежденные полосы, что делается за несколько минут и стоит минимальных денег.

Безопасность и простота установки. Прозрачность ПВХ-лент обеспечивает отличную видимость, предотвращая столкновения. Монтаж завесы не требует сложных навыков: специальный несущий профиль ("гребенка") легко крепится над проемом, а ленты просто навешиваются на него. Выбирая полосовые завесы DoorHan, вы получаете самое быстрое, экономичное и практичное решение для повышения энергоэффективности и защиты вашего помещения.

Зона применения:
Складские комплексы
Преимущества
Простота обслуживания
Не требуют технического обслуживания.
Простота монтажа
Конструкция крепежа полосовых завес обеспечивает максимально простой монтаж.
Безопасность
Безопасны за счет отсутствия жестких и выступающих элементов.
Привлекательная цена
Бюджетное решение для изоляции и сохранения микроклимата помещений промышленного, складского, торгового и другого назначения.
Простота обслуживания
Не требуют технического обслуживания.
Простота монтажа
Конструкция крепежа полосовых завес обеспечивает максимально простой монтаж.
Безопасность
Безопасны за счет отсутствия жестких и выступающих элементов.
Привлекательная цена
Бюджетное решение для изоляции и сохранения микроклимата помещений промышленного, складского, торгового и другого назначения.
Дизайн
Тип поверхности
Гладкая
Гладкая
Комплектация
Базовая комплектация
Дополнительная комплектация
Пленка.

Пленка.

Крепление выполнено из оцинкованной стали.

Крепление выполнено из оцинкованной стали.

Крепление выполнено из нержавеющей стали.

Крепление выполнено из нержавеющей стали.

Техническое описание
Таблица размеров
Конструкция
Стандартные конструктивные решения
Технические характеристики
Условия эксплуатации продукции
Упаковка
Параметр
Показатель
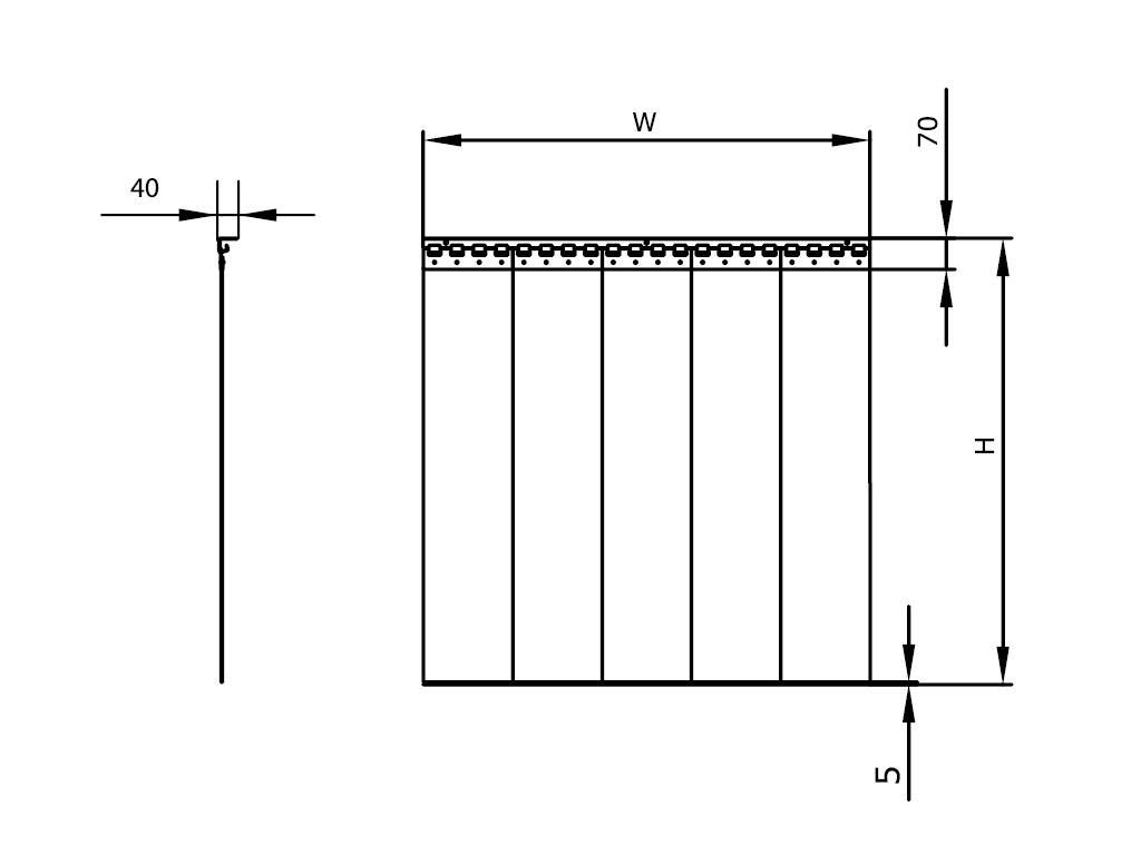
Ширина проема, мм
Без ограничений по ширине
Высота проема, мм
2 500–4 500 (в зависимости от размера пленки)
Размеры пленки (Ширина х Толщина), мм
200 × 2/300 × 3/400 × 4
  1. Кронштейн «гребенка»
  2. Пластина монтажная
  3. Пленка

Полосовая пленочная завеса ПВХ.

Полосовая пленочная завеса ПВХ.

Усл. обозначение, наименование параметра Расчетная формула
H1, мм Высота проема внутри 2 600/3 500/4 500
H2, мм Высота проема снаружи 2 600/3 500/4 500
B, мм Ширина проема Любая
P%, Плотность перекрытия 50/100; 33/66/100; 50/75/100
Коэффициент перекрытия.

Коэффициент перекрытия.

Параметр Значение Примечание
Плотность, г/см³ 1,22/1,18 Стандартная пленка/морозостойкая пленка
Светопрозрачность, % 80
Относительное удлинение, % 340/390 Стандартная пленка/морозостойкая пленка
Теплопроводность, Вт/м*°С 0,14
Звукоизоляция, дБ, класс (ГОСТ 31174) 35
Диапазон рабочих температур, °С -15...+30/-25...+30 Стандартная пленка/морозостойкая пленка
Предел прочности на растяжение, Н/мм² 16/11,5 Стандартная пленка/морозостойкая пленка

1. Для обеспечения надежной и бесперебойной работы завес рекомендуется регулярно проводить их технический осмотр.

2. Не подвергайте поверхности завес ударам и не препятствуйте их свободному открыванию и закрыванию.

3. Следите за тем, чтобы во время закрывания пленочных завес в проеме отсутствовали посторонние предметы.

Упаковка в стретч - пленку Характеристики упаковки
Высота, мм Зависит от количества завес
Длина, мм Зависит от длины завес
Ширина, мм Зависит от ширины завес
Дополнительное описание печать

Концерн DoorHan производит погрузку изделий на грузовой транспорт с помощью гидравлического подъемного крана или автопогрузчика с вилочным захватом не менее 2 м. Покупатель или установщик должен предоставить такое же оборудование для перемещения изделий. При использовании крана или другого средства подъема рекомендуется использовать стропы соответствующей грузоподъемности.

Если выбран коэффициент перекрытия 0%, то между лентами завес возможны зазоры.

Установка
Способы монтажа
Подготовка строительного объекта
Установка полосовой пленочной завесы производится внакладку на проем.
Установка полосовой пленочной завесы производится внакладку на проем.
Установка полосовой пленочной завесы производится внутри проема.
Установка полосовой пленочной завесы производится внутри проема.
  1. H — высота проема.
  2. B — ширина проема.
  3. h  — притолока (расстояние от верха проема до потолка).
  4. b1/b2 — левое/правое боковое расстояние (расстояние от соответствующего края проема до препятствия).
  5. При замере Н и В за итоговый размер принимается наибольшая величина, при замере h, b1 и b2 — наименьшая величина.
Документация
Инструкции
Паспорта и сертификаты
Чертежи

Завеса пленочная полосовая

Сертификат соответствия

Паспорт на полосовые пленочные завесы

Полосовая пленочная завеса ПВХ серии fc-100

Схема установки полосовых пленочных завесс ПВХ серии fc-100

Гарантийные обязательства печать

Покупателю предоставляется гарантия работоспособности пленочных завес производства концерна DoorHan на срок 1 год для розничных и на срок 2 года для дилерских заказов с момента приобретения завес.

Дизайн
Тип поверхности
Гладкая
Гладкая
Комплектация
Базовая комплектация
Пленка.

Пленка.

Крепление выполнено из оцинкованной стали.

Крепление выполнено из оцинкованной стали.

Дополнительная комплектация
Крепление выполнено из нержавеющей стали.

Крепление выполнено из нержавеющей стали.

Техническое описание
Таблица размеров
Параметр
Показатель
Ширина проема, мм
Без ограничений по ширине
Высота проема, мм
2 500–4 500 (в зависимости от размера пленки)
Размеры пленки (Ширина х Толщина), мм
200 × 2/300 × 3/400 × 4
Конструкция
  1. Кронштейн «гребенка»
  2. Пластина монтажная
  3. Пленка
Стандартные конструктивные решения

Полосовая пленочная завеса ПВХ.

Полосовая пленочная завеса ПВХ.

Усл. обозначение, наименование параметра Расчетная формула
H1, мм Высота проема внутри 2 600/3 500/4 500
H2, мм Высота проема снаружи 2 600/3 500/4 500
B, мм Ширина проема Любая
P%, Плотность перекрытия 50/100; 33/66/100; 50/75/100
Коэффициент перекрытия.

Коэффициент перекрытия.

Технические характеристики
Параметр Значение Примечание
Плотность, г/см³ 1,22/1,18 Стандартная пленка/морозостойкая пленка
Светопрозрачность, % 80
Относительное удлинение, % 340/390 Стандартная пленка/морозостойкая пленка
Теплопроводность, Вт/м*°С 0,14
Звукоизоляция, дБ, класс (ГОСТ 31174) 35
Диапазон рабочих температур, °С -15...+30/-25...+30 Стандартная пленка/морозостойкая пленка
Предел прочности на растяжение, Н/мм² 16/11,5 Стандартная пленка/морозостойкая пленка
Условия эксплуатации продукции

1. Для обеспечения надежной и бесперебойной работы завес рекомендуется регулярно проводить их технический осмотр.

2. Не подвергайте поверхности завес ударам и не препятствуйте их свободному открыванию и закрыванию.

3. Следите за тем, чтобы во время закрывания пленочных завес в проеме отсутствовали посторонние предметы.

Упаковка
Упаковка в стретч - пленку Характеристики упаковки
Высота, мм Зависит от количества завес
Длина, мм Зависит от длины завес
Ширина, мм Зависит от ширины завес
Дополнительное описание

Концерн DoorHan производит погрузку изделий на грузовой транспорт с помощью гидравлического подъемного крана или автопогрузчика с вилочным захватом не менее 2 м. Покупатель или установщик должен предоставить такое же оборудование для перемещения изделий. При использовании крана или другого средства подъема рекомендуется использовать стропы соответствующей грузоподъемности.

Если выбран коэффициент перекрытия 0%, то между лентами завес возможны зазоры.

Установка
Способы монтажа
Установка полосовой пленочной завесы производится внакладку на проем.
Установка полосовой пленочной завесы производится внакладку на проем.
Установка полосовой пленочной завесы производится внутри проема.
Установка полосовой пленочной завесы производится внутри проема.
Подготовка строительного объекта
  1. H — высота проема.
  2. B — ширина проема.
  3. h  — притолока (расстояние от верха проема до потолка).
  4. b1/b2 — левое/правое боковое расстояние (расстояние от соответствующего края проема до препятствия).
  5. При замере Н и В за итоговый размер принимается наибольшая величина, при замере h, b1 и b2 — наименьшая величина.
Гарантийные обязательства

Покупателю предоставляется гарантия работоспособности пленочных завес производства концерна DoorHan на срок 1 год для розничных и на срок 2 года для дилерских заказов с момента приобретения завес.

Документация
Инструкции

Завеса пленочная полосовая

Паспорта и сертификаты

Сертификат соответствия

Паспорт на полосовые пленочные завесы

Чертежи

Полосовая пленочная завеса ПВХ серии fc-100

Схема установки полосовых пленочных завесс ПВХ серии fc-100

Оформить заказ
Менеджеры компании ответят на все
вопросы по телефону: