Перегрузочное оборудование
Двустворчатые раздвижные двери
Каталог

Распашные противопожарные ворота с пределом огнестойкости EI60, EI90

Распашные Противопожарные Ворота DoorHan EI 60/EI 90: Надежный Щит на Пути Огня

В системе пожарной безопасности любого крупного объекта — будь то склад, торговый центр, паркинг или производственный цех — ключевую роль играет секционирование. Это разделение здания на пожарные отсеки, которое не дает огню и дыму свободно распространяться, локализуя очаг возгорания и давая людям драгоценное время на эвакуацию. Для перекрытия больших проемов в противопожарных преградах предназначены специализированные распашные ворота DoorHan с пределом огнестойкости EI 60 или EI 90. Это не просто ворота, а сертифицированная, высокотехнологичная конструкция, способная выдерживать прямое воздействие огня в течение 60 или 90 минут.

Расшифровка Маркировки: Что такое EI 60?

Предел огнестойкости — это главный показатель для любой противопожарной конструкции. Маркировка EI 60 означает:

  • «E» (Loss of integrity) — Потеря целостности: Ворота сохраняют свою конструктивную целостность, не образуя сквозных трещин и отверстий, через которые может проникать пламя и продукты горения, в течение минимум 60 минут.

  • «I» (Loss of thermal insulation) — Потеря теплоизолирующей способности: В течение минимум 60 минут температура на поверхности ворот со стороны, не обращенной к огню, не поднимется до критических значений, способных вызвать самовоспламенение материалов в соседнем помещении.

  • «60» / «90»: Время в минутах, в течение которого гарантируется сохранение обоих этих свойств.

Конструкция, Противостоящая Огню

Эффективность противопожарных ворот DoorHan достигается за счет использования специальных материалов и конструктивных решений:

  1. Полотно из сэндвич-панелей с минеральной ватой: В отличие от обычных ворот, здесь в качестве наполнителя используется негорючая базальтовая (минеральная) вата высокой плотности. Этот материал обладает крайне низкой теплопроводностью и выдерживает очень высокие температуры, служа надежным барьером для жара.

  2. Терморасширяющаяся лента: По всему периметру створок и рамы проклеивается специальная уплотнительная лента. При нормальной температуре она находится в сжатом состоянии, но при нагревании резко вспенивается и расширяется в объеме, герметично запечатывая все щели и зазоры. Это предотвращает проникновение смертельно опасного дыма и угарного газа.

  3. Мощная рама и фурнитура: Ворота комплектуются прочной стальной рамой, мощными петлями на опорных подшипниках и надежными замками. Все элементы рассчитаны на то, чтобы сохранить работоспособность в условиях высоких температур.

  4. Автоматическое закрывание (опционально): Ворота могут быть оснащены электромагнитным или электромеханическим приводом, подключенным к системе пожарной сигнализации. При срабатывании датчиков дыма или огня ворота закроются автоматически, даже если они были открыты, отсекая путь распространению пожара без участия человека.

Назначение и Обязательность Установки

Противопожарные ворота — это не опция, а обязательный элемент безопасности, регламентированный строительными нормами и правилами пожарной безопасности. Они устанавливаются:

  • На въездах в подземные и надземные паркинги.

  • Для разделения складских и производственных зон на пожарные отсеки.

  • Для защиты входов в технические помещения с пожароопасным оборудованием (котельные, электрощитовые).

  • На путях эвакуации для защиты коридоров и холлов.

Наличие сертифицированных противопожарных ворот DoorHan — это не только выполнение требований законодательства. Это реальная инвестиция в безопасность людей, сохранность имущества и непрерывность вашего бизнеса. Это гарантия того, что в критической ситуации огонь встретит на своем пути надежную и непреодолимую преграду.



Зона применения:
Промышленные объекты
Индустриальные парки, заводы, фабрики, энергетические и нефтегазовые объекты, электростанции, машиностроительные предприятия, производственные комплексы, деревообрабатывающие производства, механические цеха, цеха пищевого производства.
Логистические центры
Распределительные центры, транспортно-логистические центры, индустриальные и логистические парки, технопарки.
Складские помещеня
Складские комплексы и помещения, книгохранилища, хранилища музейных фондов, архивы.
Технологические помещения
Котельные, насосные станции, лабораторные помещения, ремонтные цеха, мастерские.
Сельскохозяйственные предприятия
Агропромышленные, животноводческие и рыбоперерабатывающие комплексы, птицефабрики, хранилища кормов, зернохранилища, склады хранения удобрений, пестицидов и агрохимикатов.
Объекты транспортной инфраструктуры
Транспортные и ремонтные депо, аэропорты, вертолетные площадки, железнодорожные вокзалы, автовокзалы, автостоянки, гаражи, авторемонтные мастерские.
Здания гражданского назначения
Жилые комплексы, паркинги, выставочные и торговые комплексы.
Социальные объекты
Театры, школы, кинотеатры, концертные залы, музеи, библиотеки, цирки, спортивные комплексы, стадионы, ледовые дворцы, физкультурно-оздоровительные комплексы.
Преимущества
Высокое качество
Контроль всего цикла производства и изготовление комплектующих из высококачественных материалов гарантируют качество и долговечность конструкций ворот.
Надежная защита зданий с повышенными требованиями к пожарной безопасности
Сертификаты подтверждают соответствие требованиям пожарной безопасности, надежность и безопасность продукции.
Разнообразие вариантов исполнения
Створки ворот могут распахиваться внутрь или наружу помещения, могут быть симметричными или несимметричными. Возможна установка встраиваемых объектов и дополнительной комплектации.
Легкость и плавность хода створок ворот
Надежные опорные подшипники петель выдерживают осевые нагрузки при высокой плавности хода створок, что увеличивает срок службы приводов.
Конкурентная цена
Минимизация затрат благодаря полному циклу производства всех элементов конструкции на современном технологичном оборудовании.
Минимальные сроки производства
Все комплектующие для противопожарных ворот изготавливаются на собственном заводе концерна в Москве, что гарантирует оптимальные сроки производства продукции.
Быстрый расчет стоимости
Мы предлагаем оперативный предварительный расчет стоимости изделия, изготовленного по индивидуальным размерам заказчика.
Поставка в страны ЕАЭС
Широкая дилерская сеть и развитая логистика позволяют выполнять поставку изделий в страны Евразийского экономического союза в минимальные сроки.
Сертификация ISO 9001
Все заводы МК DoorHan проходят ежегодную добровольную сертификацию менеджмента качества.
Высокое качество
Контроль всего цикла производства и изготовление комплектующих из высококачественных материалов гарантируют качество и долговечность конструкций ворот.
Надежная защита зданий с повышенными требованиями к пожарной безопасности
Сертификаты подтверждают соответствие требованиям пожарной безопасности, надежность и безопасность продукции.
Разнообразие вариантов исполнения
Створки ворот могут распахиваться внутрь или наружу помещения, могут быть симметричными или несимметричными. Возможна установка встраиваемых объектов и дополнительной комплектации.
Легкость и плавность хода створок ворот
Надежные опорные подшипники петель выдерживают осевые нагрузки при высокой плавности хода створок, что увеличивает срок службы приводов.
Конкурентная цена
Минимизация затрат благодаря полному циклу производства всех элементов конструкции на современном технологичном оборудовании.
Минимальные сроки производства
Все комплектующие для противопожарных ворот изготавливаются на собственном заводе концерна в Москве, что гарантирует оптимальные сроки производства продукции.
Быстрый расчет стоимости
Мы предлагаем оперативный предварительный расчет стоимости изделия, изготовленного по индивидуальным размерам заказчика.
Поставка в страны ЕАЭС
Широкая дилерская сеть и развитая логистика позволяют выполнять поставку изделий в страны Евразийского экономического союза в минимальные сроки.
Сертификация ISO 9001
Все заводы МК DoorHan проходят ежегодную добровольную сертификацию менеджмента качества.
Дизайн
Тип поверхности сэндвич-панели
Цвета
Стукко
Стукко
RAL 7004 (серый, стандартный)
RAL 7004 (серый, стандартный)
RAL 8014 (коричневый)
RAL 8014 (коричневый)
RAL 9003 (белый)
RAL 9003 (белый)
RAL 5005 (синий)
RAL 5005 (синий)
RAL 6005 (зеленый)
RAL 6005 (зеленый)
RAL 3005 (бордовый)
RAL 3005 (бордовый)
RAL 9006 (серебристый)
RAL 9006 (серебристый)
RAL 1014 (бежевый)
RAL 1014 (бежевый)
RAL 3000 (красный)
RAL 3000 (красный)
RAL 7016 (антрацит)
RAL 7016 (антрацит)
Нестандартный цвет по карте RAL (наценка)
Нестандартный цвет по карте RAL (наценка)
Комплектация
Базовая комплектация
Дополнительная комплектация
Щит ворот толщиной 80 мм из стальных сэндвич-панелей с минеральной ватой высокой плотности. Створки ворот поставляются в сборе.

Щит ворот толщиной 80 мм из стальных сэндвич-панелей с минеральной ватой высокой плотности. Створки ворот поставляются в сборе.

Стальная рама поставляется в разобранном виде (два вертикальных профиля, один горизонтальный).

Стальная рама поставляется в разобранном виде (два вертикальных профиля, один горизонтальный).

Разборная петля позволяет упростить монтаж ворот при отсутствии на проеме пристенков, а установленные опорные подшипники обеспечивают плавность хода створок ворот.

Разборная петля позволяет упростить монтаж ворот при отсутствии на проеме пристенков, а установленные опорные подшипники обеспечивают плавность хода створок ворот.

Ригельная задвижка.

Ригельная задвижка.

Врезной замок с ответной частью.

Врезной замок с ответной частью.

Комплект крепежных элементов.

Комплект крепежных элементов.

Встроенная калитка обеспечивает доступ в помещение без необходимости открывания ворот и может служить эвакуационным выходом. <br> Огнестойкое окно (размером 400 × 300 мм) в полотне ворот повышает удобство их эксплуатации, обеспечивая обзор пространства за воротами. Окно надежно препятствует выходу огня из помещения, где возник пожар, так как благодаря прочной металлической раме выдерживает высокую механическую нагрузку и не деформируется при значительных перепадах температур и интенсивном нагреве. <br> Противопожарный люк (размер в свету 200 × 200 мм) применяется для тушения пожара без необходимости открывания ворот.

Встроенная калитка обеспечивает доступ в помещение без необходимости открывания ворот и может служить эвакуационным выходом.
Огнестойкое окно (размером 400 × 300 мм) в полотне ворот повышает удобство их эксплуатации, обеспечивая обзор пространства за воротами. Окно надежно препятствует выходу огня из помещения, где возник пожар, так как благодаря прочной металлической раме выдерживает высокую механическую нагрузку и не деформируется при значительных перепадах температур и интенсивном нагреве.
Противопожарный люк (размер в свету 200 × 200 мм) применяется для тушения пожара без необходимости открывания ворот.

Ручка с противопожарными замками «антипаника» позволит быстро покинуть помещение при эвакуации.

Ручка с противопожарными замками «антипаника» позволит быстро покинуть помещение при эвакуации.

Доводчик предлагается в качестве дополнительной комплектации и может быть установлен на калитку в качестве устройства самозакрывания при пожаре.

Доводчик предлагается в качестве дополнительной комплектации и может быть установлен на калитку в качестве устройства самозакрывания при пожаре.

Возможность установки ручки на одной или обеих створках позволит удобно открывать и закрывать ворота вручную.

Возможность установки ручки на одной или обеих створках позволит удобно открывать и закрывать ворота вручную.

Возможность автоматизации распашных противопожарных ворот электроприводами DoorHan для распашных ворот (см. раздел «Автоматика для ворот»).

Возможность автоматизации распашных противопожарных ворот электроприводами DoorHan для распашных ворот (см. раздел «Автоматика для ворот»).

Приемник внешний одноканальный серии dhre-1.

Приемник внешний одноканальный серии dhre-1.

Фотоэлементы серии photocell-n (фотоэлемент-н).

Фотоэлементы серии photocell-n (фотоэлемент-н).

Сигнальная лампа серии lamp-pro (лампа-про).

Сигнальная лампа серии lamp-pro (лампа-про).

Пульт 4-канальный серии transmitter 4 (трансмиттер 4).

Пульт 4-канальный серии transmitter 4 (трансмиттер 4).

Ключ-кнопка для управления.

Ключ-кнопка для управления.

Модуль для управления с мобильного телефона.

Модуль для управления с мобильного телефона.

Техническое описание
Таблица размеров
Размеры проема
Конструкция
Стандартные конструктивные решения
Технические характеристики
Условия эксплуатации продукции
Упаковка
Параметр
Показатель
Высота проема, мм
2 000–4 500
Ширина проема, мм
2 000–4 500
Притолока, мм
Ограничений нет (встроенный монтаж)
Пристенки, мм
Ограничений нет (открывание до 90°); необходимы пристенки для открывания створки (открывание более 90°)
  1. Полотно ворот
  2. Рама ворот
  3. Встроенная калитка
  4. Замок с нажимной ручкой
  5. Ручка
  6. Люк противопожарный
  7. Задвижка ригельная

Панели противопожарных распашных ворот состоят из двух стальных листов и минераловатной прослойки между ними, с боковой стороны закладывается гипсокартон с усиливающими профилями. Панели обладают повышенными жароустойчивыми и огнеупорными свойствами. Также панели устойчивы к широкому спектру химикатов, масел и растворителей, а полимерные покрытия внешних поверхностей делают их невосприимчивыми к коррозионному воздействию окружающей среды. <br>Конструкция панели: 1) гипсокартон; 2) минераловатная прослойка плотностью 130 кг/м³; 3) стальной лист толщиной 0,5 мм; 4) усиливающие профили.

Панели противопожарных распашных ворот состоят из двух стальных листов и минераловатной прослойки между ними, с боковой стороны закладывается гипсокартон с усиливающими профилями. Панели обладают повышенными жароустойчивыми и огнеупорными свойствами. Также панели устойчивы к широкому спектру химикатов, масел и растворителей, а полимерные покрытия внешних поверхностей делают их невосприимчивыми к коррозионному воздействию окружающей среды.
Конструкция панели: 1) гипсокартон; 2) минераловатная прослойка плотностью 130 кг/м³; 3) стальной лист толщиной 0,5 мм; 4) усиливающие профили.

Противопожарные распашные ворота без калитки. <br> Могут быть выполнены симметричными (с одинаковой шириной створок) и несимметричными (с разной шириной створок), с открыванием внутрь или наружу помещения. Так как они имеют две створки, для термоизоляции и предотвращения проникновения дыма в местах их стыка применяется специальная система уплотнителей по периметру створок ворот.

Противопожарные распашные ворота без калитки.
Могут быть выполнены симметричными (с одинаковой шириной створок) и несимметричными (с разной шириной створок), с открыванием внутрь или наружу помещения. Так как они имеют две створки, для термоизоляции и предотвращения проникновения дыма в местах их стыка применяется специальная система уплотнителей по периметру створок ворот.

Усл. обозначение, наименование параметра Расчетная формула
H, мм Высота проема H
B, мм Ширина проема B
Противопожарные распашные ворота с калиткой. <br> Могут быть выполнены симметричными (с одинаковой шириной створок) и несимметричными (с разной шириной створок), с открыванием внутрь или наружу помещения. Так как они имеют две створки, для термоизоляции и предотвращения проникновения дыма в местах их стыка применяется специальная система уплотнителей по периметру створок ворот. Размер калитки в свету 900 × 2050 мм.

Противопожарные распашные ворота с калиткой.
Могут быть выполнены симметричными (с одинаковой шириной створок) и несимметричными (с разной шириной створок), с открыванием внутрь или наружу помещения. Так как они имеют две створки, для термоизоляции и предотвращения проникновения дыма в местах их стыка применяется специальная система уплотнителей по периметру створок ворот. Размер калитки в свету 900 × 2050 мм.

Усл. обозначение, наименование параметра Расчетная формула
H, мм Высота проема H
B, мм Ширина проема B
Открывание створок наружу помещения — левая створка активная, правая пассивная.

Открывание створок наружу помещения — левая створка активная, правая пассивная.

Открывание створок наружу помещения — левая створка пассивная, правая активная.

Открывание створок наружу помещения — левая створка пассивная, правая активная.

Открывание створок внутрь помещения — левая створка активная, правая пассивная.

Открывание створок внутрь помещения — левая створка активная, правая пассивная.

Открывание створок внутрь помещения — левая створка пассивная, правая активная.

Открывание створок внутрь помещения — левая створка пассивная, правая активная.

Параметр Значение Примечание
Ворота распашные EI60
Предел огнестойкости, мин Не менее 60
Приведенное сопротивление теплопередаче, м² *°С/Вт Не менее 0,4–0,8
Звукоизоляция, дБ До 20
Усилие ручного открывания и закрывания, Н, не более Не более150
Вес ворот в сборе, кг 230 При минимальных размерах
Вес ворот в сборе, кг 860 При максимальных размерах
Угол открытия створок, град 170 (без привода)
Угол открытия створок, град 90–120 (с приводом серии swing)
Угол открытия створок, град 90 (с приводом серии arm)
Ворота распашные EI90
Предел огнестойкости, мин Не менее 90
Приведенное сопротивление теплопередаче, м² *°С/Вт Не менее 0,4–0,8
Звукоизоляция, дБ До 20
Усилие ручного открывания и закрывания, Н, не более Не более150
Вес ворот в сборе, кг 230 При минимальных размерах
Вес ворот в сборе, кг 860 При максимальных размерах
Угол открытия створок, град 170 (без привода)
Угол открытия створок, град 90–120 (с приводом серии swing)
Угол открытия створок, град 90 (с приводом серии arm)

1. Распашные противопожарные ворота не предназначены для интенсивной эксплуатации. Рекомендуется их использование при проверке пожарной сигнализации, сервисном обслуживании и по прямому назначению.

2. Запрещается использовать ворота без упоров, фиксирующих створки ворот в открытом положении.

3. Распашные ворота должны работать плавно без заклиниваний и рывков.

4. Ручное открывание и закрывание ворот осуществляется только при помощи ручки.

5. Замок створок полотна имеет двустороннюю личинку для запирания на ключ.

6. В случае появления при работе распашных ворот посторонних звуков (скрип, скрежет) необходимо приостановить использование и обратиться к квалифицированному персоналу.

7. При открывании и закрывании ворот вручную не прилагайте к ним больших усилий. Запрещается открывать створки ворот резкими толчками.

8. Во избежание несчастного случая следите, чтобы в момент открывания распашных ворот люди и животные не находились в зоне действия ворот.

9. Следите, чтобы в момент работы распашных ворот в проеме не было посторонних предметов.

10. В случае установки дополнительного оборудования, не предусмотренного для использования совместно с распашными воротами, необходимо обращаться в техническую службу предприятия-изготовителя для консультации.

11. Своевременно производите чистку петель ворот во избежание их заклинивания.

12. Не допускается при работе автоматики удерживать полотно распашных ворот. Это может привести к травме или поломке конструкции.

13. Для обеспечения надежной и бесперебойной работы ворот рекомендуется регулярно (не реже одного раза в полугодие) проводить их технический осмотр и обслуживание.

14. В случае открывания/закрывания ворот с помощью привода, механический замок или задвижка должны быть открыты.

15. Не допускайте детей к устройствам управления автоматическими воротами (кнопкам, пультам).

16. Не подвергайте ворота ударам и не препятствуйте их свободному открыванию и закрыванию.

17. Внимательно ознакомьтесь с инструкцией по эксплуатации автоматического привода для надежной и долговечной работы.

18. В случае использования распашных ворот или их комплектующих не по назначению производитель не несет ответственности за их целостность и надежность.

Упаковка в картон Характеристики упаковки
Длина, мм Зависит от длины створок
Ширина, мм Зависит от ширины створок
Высота, мм 200
Количество в упаковке, шт. Две створки: левая и правая
Упаковка в пузырчатую пленку Характеристики упаковки
Длина, мм Зависит от длины створок
Ширина, мм Зависит от ширины створок
Высота, мм 200
Количество в упаковке, шт. Две створки: левая и правая
Упаковка в дерево Характеристики упаковки
Деревянная обрешетка
Длина, мм Зависит от длины створок
Ширина, мм Зависит от ширины створок + 100
Упаковка в стретч - пленку Характеристики упаковки
Длина, мм Зависит от длины створок
Ширина, мм Зависит от ширины створок
Высота, мм 200
Количество в упаковке, шт. Две створки: левая и правая
Дополнительное описание печать

Концерн DoorHan производит погрузку ворот на грузовой транспорт с помощью автопогрузчика с вилочным захватом не менее 3 м или подъемного крана. Покупатель или установщик должен предоставить такое же оборудование для перемещения упакованных ворот. Вилка должна заходить под деревянный поддон, предоставляемый изготовителем, и выступать с другой стороны. При использовании крана или другого средства подъема рекомендуется использовать стропы соответствующей грузоподъемности.

Рекомендуется хранить створки и другую комплектацию ворот в заводской упаковке в горизонтальном положении на ровной поверхности не более 6 месяцев с момента производства в складах закрытого типа или под навесом. Комплектация ворот должна быть защищены от прямых солнечных лучей, атмосферных осадков и загрязнений.

Установка
Способы монтажа
Подготовка строительного объекта
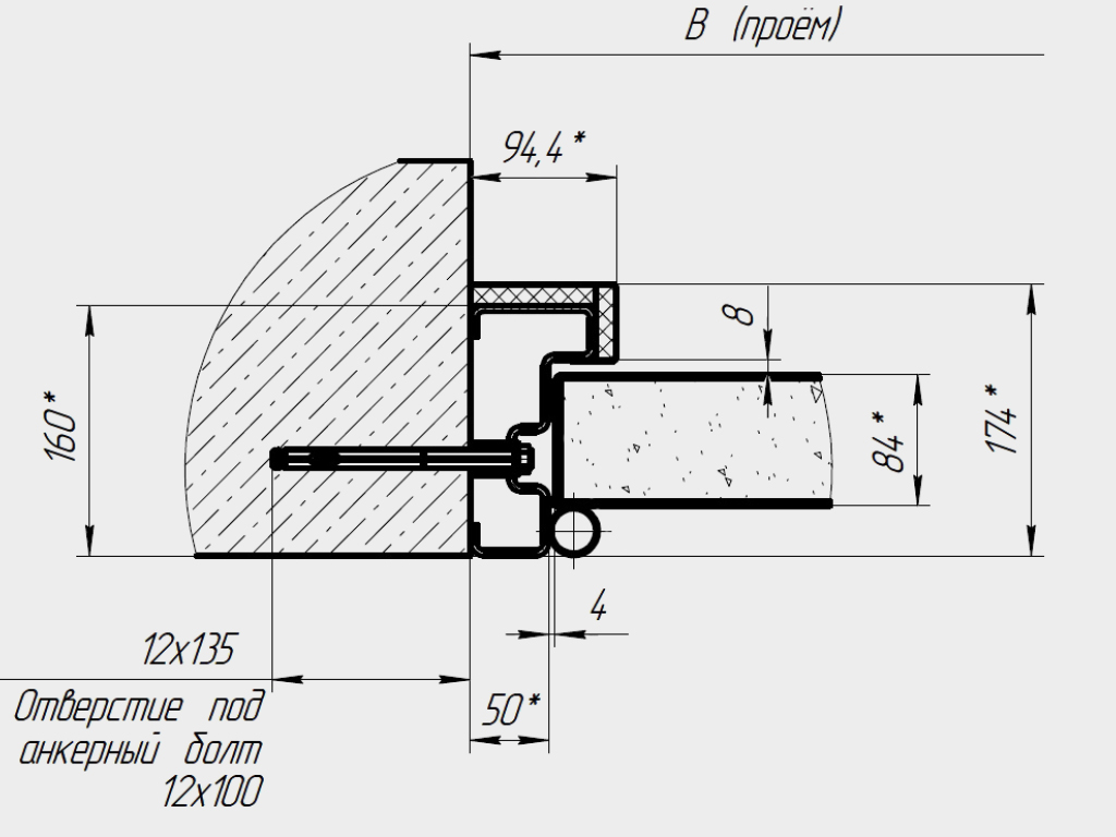
Встроенный монтаж.
Встроенный монтаж.
  1. Замер каждой величины необходимо производить как минимум по трем точкам (в крайних положениях и по центру).
  2. H – высота проема (расстояние от пола до верха проема).
  3. B – ширина проема (расстояние от левого края до правого края проема).
  4. h1 – притолока (расстояние от верха проема до препятствия).
  5. b1/b2 – левое/правое боковое расстояние (расстояние от соответствующего края проема до препятствия).
  6. При замере H и B (высоты и ширины проема) за итоговый размер принимается наименьшая величина.
Документация
Инструкции
Паспорта и сертификаты
Чертежи

Инструкция по монтажу и эксплуатации «Распашные противопожарные ворота серии dhrfp»

Паспорт «Распашные противопожарные ворота серии dhrfp EI60»

Паспорт «Распашные противопожарные ворота серии dhrfp EI90»

Сертификат № EAЭC BY/112 02.01. ТР043 031.02 00228

Сертификат № EAЭC BY/112 02.01. ТР043 031.02 00227

Распашные ППВ с калиткой. Распашные ППВ с калиткой, разрезы. Полотно РПВ с калиткой. Распашные ППВ. Распашные ППВ, разрезы. Полотно РПВ

Гарантийные обязательства печать

Покупателю предоставляется гарантия работоспособности распашных противопожарных ворот производства концерна DoorHan на срок 1 год с момента приобретения их заказчиком.

Дизайн
Тип поверхности сэндвич-панели
Стукко
Стукко
Цвета
RAL 7004 (серый, стандартный)
RAL 7004 (серый, стандартный)
RAL 8014 (коричневый)
RAL 8014 (коричневый)
RAL 9003 (белый)
RAL 9003 (белый)
RAL 5005 (синий)
RAL 5005 (синий)
RAL 6005 (зеленый)
RAL 6005 (зеленый)
RAL 3005 (бордовый)
RAL 3005 (бордовый)
RAL 9006 (серебристый)
RAL 9006 (серебристый)
RAL 1014 (бежевый)
RAL 1014 (бежевый)
RAL 3000 (красный)
RAL 3000 (красный)
RAL 7016 (антрацит)
RAL 7016 (антрацит)
Нестандартный цвет по карте RAL (наценка)
Нестандартный цвет по карте RAL (наценка)
Комплектация
Базовая комплектация
Щит ворот толщиной 80 мм из стальных сэндвич-панелей с минеральной ватой высокой плотности. Створки ворот поставляются в сборе.

Щит ворот толщиной 80 мм из стальных сэндвич-панелей с минеральной ватой высокой плотности. Створки ворот поставляются в сборе.

Стальная рама поставляется в разобранном виде (два вертикальных профиля, один горизонтальный).

Стальная рама поставляется в разобранном виде (два вертикальных профиля, один горизонтальный).

Разборная петля позволяет упростить монтаж ворот при отсутствии на проеме пристенков, а установленные опорные подшипники обеспечивают плавность хода створок ворот.

Разборная петля позволяет упростить монтаж ворот при отсутствии на проеме пристенков, а установленные опорные подшипники обеспечивают плавность хода створок ворот.

Ригельная задвижка.

Ригельная задвижка.

Врезной замок с ответной частью.

Врезной замок с ответной частью.

Комплект крепежных элементов.

Комплект крепежных элементов.

Дополнительная комплектация
Встроенная калитка обеспечивает доступ в помещение без необходимости открывания ворот и может служить эвакуационным выходом. <br> Огнестойкое окно (размером 400 × 300 мм) в полотне ворот повышает удобство их эксплуатации, обеспечивая обзор пространства за воротами. Окно надежно препятствует выходу огня из помещения, где возник пожар, так как благодаря прочной металлической раме выдерживает высокую механическую нагрузку и не деформируется при значительных перепадах температур и интенсивном нагреве. <br> Противопожарный люк (размер в свету 200 × 200 мм) применяется для тушения пожара без необходимости открывания ворот.

Встроенная калитка обеспечивает доступ в помещение без необходимости открывания ворот и может служить эвакуационным выходом.
Огнестойкое окно (размером 400 × 300 мм) в полотне ворот повышает удобство их эксплуатации, обеспечивая обзор пространства за воротами. Окно надежно препятствует выходу огня из помещения, где возник пожар, так как благодаря прочной металлической раме выдерживает высокую механическую нагрузку и не деформируется при значительных перепадах температур и интенсивном нагреве.
Противопожарный люк (размер в свету 200 × 200 мм) применяется для тушения пожара без необходимости открывания ворот.

Ручка с противопожарными замками «антипаника» позволит быстро покинуть помещение при эвакуации.

Ручка с противопожарными замками «антипаника» позволит быстро покинуть помещение при эвакуации.

Доводчик предлагается в качестве дополнительной комплектации и может быть установлен на калитку в качестве устройства самозакрывания при пожаре.

Доводчик предлагается в качестве дополнительной комплектации и может быть установлен на калитку в качестве устройства самозакрывания при пожаре.

Возможность установки ручки на одной или обеих створках позволит удобно открывать и закрывать ворота вручную.

Возможность установки ручки на одной или обеих створках позволит удобно открывать и закрывать ворота вручную.

Возможность автоматизации распашных противопожарных ворот электроприводами DoorHan для распашных ворот (см. раздел «Автоматика для ворот»).

Возможность автоматизации распашных противопожарных ворот электроприводами DoorHan для распашных ворот (см. раздел «Автоматика для ворот»).

Приемник внешний одноканальный серии dhre-1.

Приемник внешний одноканальный серии dhre-1.

Фотоэлементы серии photocell-n (фотоэлемент-н).

Фотоэлементы серии photocell-n (фотоэлемент-н).

Сигнальная лампа серии lamp-pro (лампа-про).

Сигнальная лампа серии lamp-pro (лампа-про).

Пульт 4-канальный серии transmitter 4 (трансмиттер 4).

Пульт 4-канальный серии transmitter 4 (трансмиттер 4).

Ключ-кнопка для управления.

Ключ-кнопка для управления.

Модуль для управления с мобильного телефона.

Модуль для управления с мобильного телефона.

Техническое описание
Таблица размеров
Параметр
Показатель
Высота проема, мм
2 000–4 500
Ширина проема, мм
2 000–4 500
Притолока, мм
Ограничений нет (встроенный монтаж)
Пристенки, мм
Ограничений нет (открывание до 90°); необходимы пристенки для открывания створки (открывание более 90°)
Конструкция
  1. Полотно ворот
  2. Рама ворот
  3. Встроенная калитка
  4. Замок с нажимной ручкой
  5. Ручка
  6. Люк противопожарный
  7. Задвижка ригельная
Стандартные конструктивные решения

Панели противопожарных распашных ворот состоят из двух стальных листов и минераловатной прослойки между ними, с боковой стороны закладывается гипсокартон с усиливающими профилями. Панели обладают повышенными жароустойчивыми и огнеупорными свойствами. Также панели устойчивы к широкому спектру химикатов, масел и растворителей, а полимерные покрытия внешних поверхностей делают их невосприимчивыми к коррозионному воздействию окружающей среды. <br>Конструкция панели: 1) гипсокартон; 2) минераловатная прослойка плотностью 130 кг/м³; 3) стальной лист толщиной 0,5 мм; 4) усиливающие профили.

Панели противопожарных распашных ворот состоят из двух стальных листов и минераловатной прослойки между ними, с боковой стороны закладывается гипсокартон с усиливающими профилями. Панели обладают повышенными жароустойчивыми и огнеупорными свойствами. Также панели устойчивы к широкому спектру химикатов, масел и растворителей, а полимерные покрытия внешних поверхностей делают их невосприимчивыми к коррозионному воздействию окружающей среды.
Конструкция панели: 1) гипсокартон; 2) минераловатная прослойка плотностью 130 кг/м³; 3) стальной лист толщиной 0,5 мм; 4) усиливающие профили.

Противопожарные распашные ворота без калитки. <br> Могут быть выполнены симметричными (с одинаковой шириной створок) и несимметричными (с разной шириной створок), с открыванием внутрь или наружу помещения. Так как они имеют две створки, для термоизоляции и предотвращения проникновения дыма в местах их стыка применяется специальная система уплотнителей по периметру створок ворот.

Противопожарные распашные ворота без калитки.
Могут быть выполнены симметричными (с одинаковой шириной створок) и несимметричными (с разной шириной створок), с открыванием внутрь или наружу помещения. Так как они имеют две створки, для термоизоляции и предотвращения проникновения дыма в местах их стыка применяется специальная система уплотнителей по периметру створок ворот.

Усл. обозначение, наименование параметра Расчетная формула
H, мм Высота проема H
B, мм Ширина проема B
Противопожарные распашные ворота с калиткой. <br> Могут быть выполнены симметричными (с одинаковой шириной створок) и несимметричными (с разной шириной створок), с открыванием внутрь или наружу помещения. Так как они имеют две створки, для термоизоляции и предотвращения проникновения дыма в местах их стыка применяется специальная система уплотнителей по периметру створок ворот. Размер калитки в свету 900 × 2050 мм.

Противопожарные распашные ворота с калиткой.
Могут быть выполнены симметричными (с одинаковой шириной створок) и несимметричными (с разной шириной створок), с открыванием внутрь или наружу помещения. Так как они имеют две створки, для термоизоляции и предотвращения проникновения дыма в местах их стыка применяется специальная система уплотнителей по периметру створок ворот. Размер калитки в свету 900 × 2050 мм.

Усл. обозначение, наименование параметра Расчетная формула
H, мм Высота проема H
B, мм Ширина проема B
Открывание створок наружу помещения — левая створка активная, правая пассивная.

Открывание створок наружу помещения — левая створка активная, правая пассивная.

Открывание створок наружу помещения — левая створка пассивная, правая активная.

Открывание створок наружу помещения — левая створка пассивная, правая активная.

Открывание створок внутрь помещения — левая створка активная, правая пассивная.

Открывание створок внутрь помещения — левая створка активная, правая пассивная.

Открывание створок внутрь помещения — левая створка пассивная, правая активная.

Открывание створок внутрь помещения — левая створка пассивная, правая активная.

Технические характеристики
Параметр Значение Примечание
Ворота распашные EI60
Предел огнестойкости, мин Не менее 60
Приведенное сопротивление теплопередаче, м² *°С/Вт Не менее 0,4–0,8
Звукоизоляция, дБ До 20
Усилие ручного открывания и закрывания, Н, не более Не более150
Вес ворот в сборе, кг 230 При минимальных размерах
Вес ворот в сборе, кг 860 При максимальных размерах
Угол открытия створок, град 170 (без привода)
Угол открытия створок, град 90–120 (с приводом серии swing)
Угол открытия створок, град 90 (с приводом серии arm)
Ворота распашные EI90
Предел огнестойкости, мин Не менее 90
Приведенное сопротивление теплопередаче, м² *°С/Вт Не менее 0,4–0,8
Звукоизоляция, дБ До 20
Усилие ручного открывания и закрывания, Н, не более Не более150
Вес ворот в сборе, кг 230 При минимальных размерах
Вес ворот в сборе, кг 860 При максимальных размерах
Угол открытия створок, град 170 (без привода)
Угол открытия створок, град 90–120 (с приводом серии swing)
Угол открытия створок, град 90 (с приводом серии arm)
Условия эксплуатации продукции

1. Распашные противопожарные ворота не предназначены для интенсивной эксплуатации. Рекомендуется их использование при проверке пожарной сигнализации, сервисном обслуживании и по прямому назначению.

2. Запрещается использовать ворота без упоров, фиксирующих створки ворот в открытом положении.

3. Распашные ворота должны работать плавно без заклиниваний и рывков.

4. Ручное открывание и закрывание ворот осуществляется только при помощи ручки.

5. Замок створок полотна имеет двустороннюю личинку для запирания на ключ.

6. В случае появления при работе распашных ворот посторонних звуков (скрип, скрежет) необходимо приостановить использование и обратиться к квалифицированному персоналу.

7. При открывании и закрывании ворот вручную не прилагайте к ним больших усилий. Запрещается открывать створки ворот резкими толчками.

8. Во избежание несчастного случая следите, чтобы в момент открывания распашных ворот люди и животные не находились в зоне действия ворот.

9. Следите, чтобы в момент работы распашных ворот в проеме не было посторонних предметов.

10. В случае установки дополнительного оборудования, не предусмотренного для использования совместно с распашными воротами, необходимо обращаться в техническую службу предприятия-изготовителя для консультации.

11. Своевременно производите чистку петель ворот во избежание их заклинивания.

12. Не допускается при работе автоматики удерживать полотно распашных ворот. Это может привести к травме или поломке конструкции.

13. Для обеспечения надежной и бесперебойной работы ворот рекомендуется регулярно (не реже одного раза в полугодие) проводить их технический осмотр и обслуживание.

14. В случае открывания/закрывания ворот с помощью привода, механический замок или задвижка должны быть открыты.

15. Не допускайте детей к устройствам управления автоматическими воротами (кнопкам, пультам).

16. Не подвергайте ворота ударам и не препятствуйте их свободному открыванию и закрыванию.

17. Внимательно ознакомьтесь с инструкцией по эксплуатации автоматического привода для надежной и долговечной работы.

18. В случае использования распашных ворот или их комплектующих не по назначению производитель не несет ответственности за их целостность и надежность.

Упаковка
Упаковка в картон Характеристики упаковки
Длина, мм Зависит от длины створок
Ширина, мм Зависит от ширины створок
Высота, мм 200
Количество в упаковке, шт. Две створки: левая и правая
Упаковка в пузырчатую пленку Характеристики упаковки
Длина, мм Зависит от длины створок
Ширина, мм Зависит от ширины створок
Высота, мм 200
Количество в упаковке, шт. Две створки: левая и правая
Упаковка в дерево Характеристики упаковки
Деревянная обрешетка
Длина, мм Зависит от длины створок
Ширина, мм Зависит от ширины створок + 100
Упаковка в стретч - пленку Характеристики упаковки
Длина, мм Зависит от длины створок
Ширина, мм Зависит от ширины створок
Высота, мм 200
Количество в упаковке, шт. Две створки: левая и правая
Дополнительное описание

Концерн DoorHan производит погрузку ворот на грузовой транспорт с помощью автопогрузчика с вилочным захватом не менее 3 м или подъемного крана. Покупатель или установщик должен предоставить такое же оборудование для перемещения упакованных ворот. Вилка должна заходить под деревянный поддон, предоставляемый изготовителем, и выступать с другой стороны. При использовании крана или другого средства подъема рекомендуется использовать стропы соответствующей грузоподъемности.

Рекомендуется хранить створки и другую комплектацию ворот в заводской упаковке в горизонтальном положении на ровной поверхности не более 6 месяцев с момента производства в складах закрытого типа или под навесом. Комплектация ворот должна быть защищены от прямых солнечных лучей, атмосферных осадков и загрязнений.

Установка
Способы монтажа
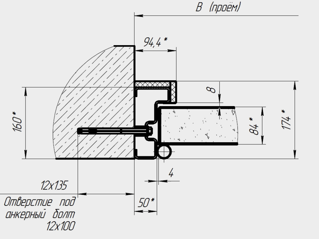
Встроенный монтаж.
Встроенный монтаж.
Подготовка строительного объекта
  1. Замер каждой величины необходимо производить как минимум по трем точкам (в крайних положениях и по центру).
  2. H – высота проема (расстояние от пола до верха проема).
  3. B – ширина проема (расстояние от левого края до правого края проема).
  4. h1 – притолока (расстояние от верха проема до препятствия).
  5. b1/b2 – левое/правое боковое расстояние (расстояние от соответствующего края проема до препятствия).
  6. При замере H и B (высоты и ширины проема) за итоговый размер принимается наименьшая величина.
Гарантийные обязательства

Покупателю предоставляется гарантия работоспособности распашных противопожарных ворот производства концерна DoorHan на срок 1 год с момента приобретения их заказчиком.

Документация
Инструкции

Инструкция по монтажу и эксплуатации «Распашные противопожарные ворота серии dhrfp»

Паспорта и сертификаты

Паспорт «Распашные противопожарные ворота серии dhrfp EI60»

Паспорт «Распашные противопожарные ворота серии dhrfp EI90»

Сертификат № EAЭC BY/112 02.01. ТР043 031.02 00228

Сертификат № EAЭC BY/112 02.01. ТР043 031.02 00227

Чертежи

Распашные ППВ с калиткой. Распашные ППВ с калиткой, разрезы. Полотно РПВ с калиткой. Распашные ППВ. Распашные ППВ, разрезы. Полотно РПВ

Оформить заказ
Менеджеры компании ответят на все
вопросы по телефону: